Rozšířené hledání} Informace o členství Kontaktní informace Seznam uživatelů Kalendář Spřátelené weby Honda-club.cz Přihlásit se k emailu
[2]
Linka Uživatelské skupiny Linka Galerie avatarů Linka Kdo je online Linka
Linka Jak se stát členem klubu Linka Stáhnout stanovy sdružení Linka Výhody pro členy klubu Linka
  Obsah fóra Honda-club.cz   
podtlakové hadičky ,motoru D16A6 80 kw.
Fórum: Volná diskuze
Zobrazit příspěvky z předchozích:
 Řadit příspěvky dle: 
Zaslat odpověď



  Strana 1 z 1
mongy11 je teď offline  mongy11
PříspěvekZaslal: 1.6.2012 , 20:17   Citovat  

ahoj, nemate nikdo foto podlakových hadiček na motor D16A6 . menil jsem motor a vsechny veci jsem odpojoval a nevyfotil jsem si to ated vtom mam maglajs. kdyztak mi to poslete na mongy11@seznam.cz. moc budu vdecnej
   Návrat  
   Zobrazit informace o autorovi Osobní garáž Odeslat soukromou zprávu
Příspěvky: 12 1988 Civic  
Destak je teď offline  Destak
3 háčka
PříspěvekZaslal: 1.6.2012 , 23:04   Citovat  

   Návrat  
   Zobrazit informace o autorovi  Odeslat soukromou zprávu
Příspěvky: 1513  
mongy11 je teď offline  mongy11
PříspěvekZaslal: 2.6.2012 , 22:20   Citovat  

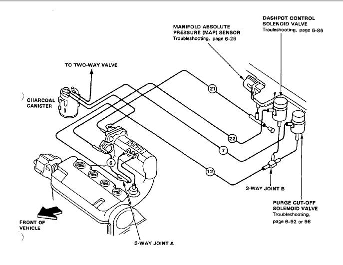
cau.tohle schema jsem uz taky nasel ale ja tam ten DASHPOT CONTROL mam dvakrat tak nevim jak to propojit spravne proto jsem schanel nečí fotku motorového prostoru
   Návrat  
   Zobrazit informace o autorovi Osobní garáž Odeslat soukromou zprávu
Příspěvky: 12 1988 Civic  
Xender je teď offline  Xender
1 háčko
PříspěvekZaslal: 3.6.2012 , 11:49   Citovat  

to nejde splést to sedí dycky kam ma to jinam nez to ma byt dat nemuzes Úsměv
   Návrat  
   Zobrazit informace o autorovi Osobní garáž Odeslat soukromou zprávu
Příspěvky: 297 1989 Civic  
RASTA je teď offline  RASTA
4 háčka
Členství: Žádné
PříspěvekZaslal: 3.6.2012 , 11:53   Citovat  

Xender napsal:
to nejde splést to sedí dycky kam ma to jinam nez to ma byt dat nemuzes Úsměv

tuto větu sem celkem nepobral zmatenej

jinak to druhý není dashpot


schema.JPG

Zobrazení obrázku v plné velikosti.
schema.JPG, 52.08 kB
   Návrat  
   Zobrazit informace o autorovi Osobní garáž Odeslat soukromou zprávu
Příspěvky: 4391 1990 CR-X  
Xender je teď offline  Xender
1 háčko
PříspěvekZaslal: 3.6.2012 , 12:03   Citovat  

proste ty hadicky nejdou dat blbe Úsměv proste to nejde zapojit blbe Úsměv vsechno sedi pouze tam kam ma
   Návrat  
   Zobrazit informace o autorovi Osobní garáž Odeslat soukromou zprávu
Příspěvky: 297 1989 Civic  
RASTA je teď offline  RASTA
4 háčka
Členství: Žádné
PříspěvekZaslal: 3.6.2012 , 12:08   Citovat  

myslim, že všechno de po wc OK
   Návrat  
   Zobrazit informace o autorovi Osobní garáž Odeslat soukromou zprávu
Příspěvky: 4391 1990 CR-X  
Xender je teď offline  Xender
1 háčko
PříspěvekZaslal: 3.6.2012 , 13:46   Citovat  

menil sem to buhvi kolikrat a nejde Úsměv
   Návrat  
   Zobrazit informace o autorovi Osobní garáž Odeslat soukromou zprávu
Příspěvky: 297 1989 Civic  
mongy11 je teď offline  mongy11
PříspěvekZaslal: 3.6.2012 , 16:46   Citovat  

diky to uz je presne ono jak to tam ma. jsem vdecnej jinak nevim kde bych to sehnal
   Návrat  
   Zobrazit informace o autorovi Osobní garáž Odeslat soukromou zprávu
Příspěvky: 12 1988 Civic  
lapeno je teď offline  lapeno
PříspěvekZaslal: 21.1.2015 , 23:22   Citovat  

Zdravim. Zrovna tie podtlakove hadicky mam dopraskane a chcelo by to vymenu len neviem aky je to typ. Nevie niekto aky presne typ hadiciek je to? A kde sa to da kupit? Dik
   Návrat  
   Zobrazit informace o autorovi  Odeslat soukromou zprávu
Příspěvky: 3  

  Obsah fóra Honda-club.cz   
podtlakové hadičky ,motoru D16A6 80 kw.
Fórum: Volná diskuze
Zobrazit příspěvky z předchozích:
 Řadit příspěvky dle: 
Zaslat odpověď



 Časy uváděny v GMT + 1 hodina  
    
Nemůžete odesílat nové téma do tohoto fóra.
Nemůžete odpovídat na témata v tomto fóru.
Nemůžete upravovat své příspěvky v tomto fóru.
Nemůžete mazat své příspěvky v tomto fóru.
Nemůžete hlasovat v tomto fóru.
Můžete k příspěvkům připojovat soubory
Můžete stahovat a prohlížet přiložené soubory
Nemůžete moderovat Vaše témata v tomto fóru.



Board Security

(104575 útoků)
::  www.honda-club.cz  :: Témata RSS TOPlist

[ Čas: 0.0880s ][ Dotazy: 67 (0.0085s) ][ GZIP on - Debug on ]