Rozšířené hledání} Informace o členství Kontaktní informace Seznam uživatelů Kalendář Spřátelené weby Honda-club.cz Přihlásit se k emailu
[2]
Linka Uživatelské skupiny Linka Galerie avatarů Linka Kdo je online Linka
Linka Jak se stát členem klubu Linka Stáhnout stanovy sdružení Linka Výhody pro členy klubu Linka
  Obsah fóra Honda-club.cz   
Emise na STK - problém s připojením ŘJ u Civic 6g
Fórum: Elektroinstalace
0
Pomohlo ti toto téma?   
Zobrazit příspěvky z předchozích:
 Řadit příspěvky dle: 
Jdi na stránku Předchozí  1, 2 
Zaslat odpověď



  Strana 2 z 2
infinity je teď offline  infinity
Partner H-C
Členství: Gold
0
PříspěvekZaslal: 2.10.2020 , 14:25   Citovat  

To jsou bohuzel ti technici s prominutim blbci. Zeptal bych se jich jak by asi napichli S120.
   Pomohl ti příspěvěk? Návrat  
    
Zobrazit informace o autorovi Osobní garáž Odeslat soukromou zprávu
Příspěvky: 4584 H+ body: 12 1998 Integra Type-R  
Zdenda9 je teď offline  Zdenda9
0
PříspěvekZaslal: 2.10.2020 , 16:15   Citovat  

Asi opravdu je to o člověku, na koho se zrovna narazí. Jel jsem kolem jiné STK a tak jsem se šel konkrétně na připojení ŘJ u mého auta znovu zeptat. Slečna na příjmu sice nevěděla, co je to výpis závad, ale stál tam jejich technik a ubezpečoval mě, že benzín do rv 2002 se opravdu připojovat nemusí.
A dokonce mi udělají i emise, i když mám LPG Tartarini, kvůli kterému mě minule nechtěli, že zrovna Tartarini nedělají... Na závěr mě úplně dostalo, že v nouzi ani tak nevadí, že nebudu mít LPG revizi... Tu ale mám. Na takovou vlídnost jsem po předchozích zážitcích ani nebyl připraven Úsměv
   Pomohl ti příspěvěk? Návrat  
    
Zobrazit informace o autorovi Osobní garáž Odeslat soukromou zprávu
Příspěvky: 83 H+ body: 0 1999 Civic Aerodeck  
marek.82 je teď offline  marek.82
2 háčka
0
PříspěvekZaslal: 3.10.2020 , 7:33   Citovat  

Zdenda9 napsal:
Na takovou vlídnost jsem po předchozích zážitcích ani nebyl připraven Úsměv


asi si zrovna se slecnou domluvil rande tak mel dobrou naladu
   Pomohl ti příspěvěk? Návrat  
    
Zobrazit informace o autorovi Osobní garáž Odeslat soukromou zprávu
Příspěvky: 607 H+ body: 6 2018 CR-V  
mcCj je teď offline  mcCj
0
PříspěvekZaslal: 4.10.2020 , 0:05   Citovat  

Ahoj neviem ako u Vas v CR..
Ja pracujem na STK/EK a pripojenie na RJ teda OBD musi byt mozne u zazihovych (benzinovych ) od 1.1.2005 a vznetovych (dizel) od 1.1.2008
starie rocniky sa mozu nemusia napojit cez obd alebo otrasovy snimac otacok alebo cez baterku...
   Pomohl ti příspěvěk? Návrat  
    
Zobrazit informace o autorovi  Odeslat soukromou zprávu
Příspěvky: 36 H+ body: 0  
mad_zed je teď offline  mad_zed
3 háčka
0
PříspěvekZaslal: 4.10.2020 , 9:05   Citovat  

No C4 připojuje na baterku a je to jediné připojení s autem.
Vysvětli mě,jakým způsobem to čte otáčky?
Ptal jsem se borca a tvrdil,že podle alternátoru,ale to je blbost.Mam na každé 4g jiný průměr řemenice na klice(rozdíl asi 2cm) a otáčky to bralo dobře.
   Pomohl ti příspěvěk? Návrat  
    
Zobrazit informace o autorovi Osobní garáž Odeslat soukromou zprávu
Příspěvky: 1467 H+ body: 5 1989 Civic  
FastCivic je teď offline  FastCivic
5 háček
Členství: Žádné
0
PříspěvekZaslal: 4.10.2020 , 10:06   Citovat  

Ano bere to z alternatoru Úsměv
+do přístroje zadává počet válců
   Pomohl ti příspěvěk? Návrat  
    
Zobrazit informace o autorovi Osobní garáž Odeslat soukromou zprávu
Příspěvky: 10246 H+ body: 28 1989 Civic  
mad_zed je teď offline  mad_zed
3 háčka
0
PříspěvekZaslal: 4.10.2020 , 12:30   Citovat  

Ono tak v tom případě mě povezte,jak to dělá když některé alternátory na Hondě jsou 3fazove a některé 4fazove pořádnej výtlem .
Když ještě připočtu ty rozdíly průměru řemenic,tak v tom přístroji musí být věštecká koule Velmi šťastný .
To sme odbočili...to ty otáčky má sakra orientačně.
   Pomohl ti příspěvěk? Návrat  
    
Zobrazit informace o autorovi Osobní garáž Odeslat soukromou zprávu
Příspěvky: 1467 H+ body: 5 1989 Civic  
piskot je teď offline  piskot
4 háčka
0
PříspěvekZaslal: 4.10.2020 , 16:11   Citovat  

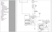
Asi jsem ve škole zrovna chyběl. Můžete mi prosím ukázat příklad automobilového 4 fázového alternátoru?
ND to není.
Co si vybavuji, u C4G dali sondu na jeden z kabelů ke svíčce.


Screen Shot 10-04-20 at 04.10 PM.JPG

Zobrazení obrázku v plné velikosti.
Screen Shot 10-04-20 at 04.10 PM.JPG, 325.16 kB
   Pomohl ti příspěvěk? Návrat  
    
Zobrazit informace o autorovi Osobní garáž Odeslat soukromou zprávu
Příspěvky: 3048 H+ body: 0 1999 Accord  
mad_zed je teď offline  mad_zed
3 háčka
0
PříspěvekZaslal: 4.10.2020 , 17:38   Citovat  

Nečekal jsem,že se někdo chytí.Proto je tam ten právě ten smajlík,aby bylo poznat, že je to ironie Velmi šťastný .
No právě,že se nepřipojovat nikam jinam než na baterii.Bud je to divadlo a točí někde potajnu nejakym potenciometrem,nebo nevím.Pomer otáček klika a alternátor je na každém autě jiná.
   Pomohl ti příspěvěk? Návrat  
    
Zobrazit informace o autorovi Osobní garáž Odeslat soukromou zprávu
Příspěvky: 1467 H+ body: 5 1989 Civic  
FastCivic je teď offline  FastCivic
5 háček
Členství: Žádné
0
PříspěvekZaslal: 4.10.2020 , 17:58   Citovat  

Otáčky se berou z alternátoru (svorky té krabičky se připojí na plusak na baterce a kostra kamkoliv) + se zadává počet válců.
V kolika jazycích ti to mám napsat? Velmi šťastný
   Pomohl ti příspěvěk? Návrat  
    
Zobrazit informace o autorovi Osobní garáž Odeslat soukromou zprávu
Příspěvky: 10246 H+ body: 28 1989 Civic  
mad_zed je teď offline  mad_zed
3 háčka
0
PříspěvekZaslal: 4.10.2020 , 18:17   Citovat  

Ale jo,ja to jako beru.Co neberu je vypovidajici hodnota takoveho mereni jako celku.Hrajou si na frajery,jak presne to meri a na jednom aute to potom meri ve 3tis.a na druhem ve 4tis. a to ma asi vetsi vliv na emise,nez hledani konektoru,ktery tam mnohdy neni.
   Pomohl ti příspěvěk? Návrat  
    
Zobrazit informace o autorovi Osobní garáž Odeslat soukromou zprávu
Příspěvky: 1467 H+ body: 5 1989 Civic  
FastCivic je teď offline  FastCivic
5 háček
Členství: Žádné
0
PříspěvekZaslal: 4.10.2020 , 19:13   Citovat  

Nemáš pravdu, měří to přesně Úsměv
Vím to protože jsem taky měřič Velmi šťastný
   Pomohl ti příspěvěk? Návrat  
    
Zobrazit informace o autorovi Osobní garáž Odeslat soukromou zprávu
Příspěvky: 10246 H+ body: 28 1989 Civic  
mad_zed je teď offline  mad_zed
3 háčka
0
PříspěvekZaslal: 4.10.2020 , 20:08   Citovat  

Jó,takže potrefená husa pořádnej výtlem .
Jak sa odmaskoval Velmi šťastný
   Pomohl ti příspěvěk? Návrat  
    
Zobrazit informace o autorovi Osobní garáž Odeslat soukromou zprávu
Příspěvky: 1467 H+ body: 5 1989 Civic  
FastCivic je teď offline  FastCivic
5 háček
Členství: Žádné
0
PříspěvekZaslal: 4.10.2020 , 20:53   Citovat  

Ano, akorát sám přesně nevím jak to ten signál bere Velmi šťastný ono to vychází nějak z toho principu, a není důležité jak rychle se točí. Ale víc ti to nevysvetlim protože nejsem elektrikář Velmi šťastný
   Pomohl ti příspěvěk? Návrat  
    
Zobrazit informace o autorovi Osobní garáž Odeslat soukromou zprávu
Příspěvky: 10246 H+ body: 28 1989 Civic  

  Obsah fóra Honda-club.cz   
Emise na STK - problém s připojením ŘJ u Civic 6g
Fórum: Elektroinstalace
0
Pomohlo ti toto téma?   
Zobrazit příspěvky z předchozích:
 Řadit příspěvky dle: 
Jdi na stránku Předchozí  1, 2 
Zaslat odpověď



 Časy uváděny v GMT + 1 hodina  
    
Nemůžete odesílat nové téma do tohoto fóra.
Nemůžete odpovídat na témata v tomto fóru.
Nemůžete upravovat své příspěvky v tomto fóru.
Nemůžete mazat své příspěvky v tomto fóru.
Nemůžete hlasovat v tomto fóru.
Můžete k příspěvkům připojovat soubory
Můžete stahovat a prohlížet přiložené soubory
Nemůžete moderovat Vaše témata v tomto fóru.



Board Security

(104575 útoků)
::  www.honda-club.cz  :: Témata RSS TOPlist

[ Čas: 0.1443s ][ Dotazy: 83 (0.0202s) ][ GZIP on - Debug on ]