Rozšířené hledání} Informace o členství Kontaktní informace Seznam uživatelů Kalendář Spřátelené weby Honda-club.cz Přihlásit se k emailu
[2]
Linka Uživatelské skupiny Linka Galerie avatarů Linka Kdo je online Linka
Linka Jak se stát členem klubu Linka Stáhnout stanovy sdružení Linka Výhody pro členy klubu Linka
  Obsah fóra Honda-club.cz   
MIL 41 - Problém vyhřívání lambda sondy
Fórum: Motor, ECU, spojka a převodovka
0
Pomohlo ti toto téma?   
Zobrazit příspěvky z předchozích:
 Řadit příspěvky dle: 
Jdi na stránku 1, 2  Další 
Zaslat odpověď



  Strana 1 z 2
karfik je teď offline  karfik
0
PříspěvekZaslal: 28.3.2010 , 15:41   Citovat  

Tak mi začala občas svítit kontrolka motoru. Vyblikal jsem si, že je to porucha 41, což je chyba někde ve vyhřívání lambdasondy (Heating circuit of HO2S). Dle servisního manuálu jsem provedl test, měřil jsem ohmmetrem odpor vyhřívacího vinutí, které by mělo mít 10-40 ohmů. Já naměřil nekonečný odpor. Kabely vypadají OK. Manuál říká výměnu lambdasondy. Máte někdo s tímto zkušenost? Může se vyhřívací vynutí spálit kvůli přepětí v síti? Často mi praskají žárovky. Koupit novou či z vrakáče? Díky.
   Pomohl ti příspěvěk? Návrat  
    
Zobrazit informace o autorovi  Odeslat soukromou zprávu
Příspěvky: 38 H+ body: 0  
Rom. je teď offline  Rom.
Partner H-C
Členství: Gold
0
PříspěvekZaslal: 28.3.2010 , 15:45   Citovat  

změř si na konektoru k lambdě, jestli tam je napětí, když ano,
tak vyměň lambdu, nejlépe za novou OK
Praskající žárovky nemají s vyhříváním nic společného
   Pomohl ti příspěvěk? Návrat  
    
Zobrazit informace o autorovi Osobní garáž Odeslat soukromou zprávu
Příspěvky: 6832 H+ body: 52 2015 N600  
ninja je teď offline  ninja
4 háčka
Členství: Web
0
PříspěvekZaslal: 28.3.2010 , 15:49   Citovat  

pokud jsi nameril nekonecny odpor tak je vyhrivani v tahu. Jediny co pomuze je vymena lambda sondy. Takovy zavada se obcas stane a vyhrivanim neodejde pri prepeti v siti. Lambdu bych koupil novou, se zarukou.
   Pomohl ti příspěvěk? Návrat  
    
Zobrazit informace o autorovi Osobní garáž Odeslat soukromou zprávu
Příspěvky: 3255 H+ body: 17 2014 Civic  
ninja je teď offline  ninja
4 háčka
Členství: Web
0
PříspěvekZaslal: 28.3.2010 , 15:52   Citovat  

Rom. napsal:
změř si na konektoru k lambdě, jestli tam je napětí, když ano,
tak vyměň lambdu, nejlépe za novou OK
Praskající žárovky nemají s vyhříváním nic společného


kdyz zmeril ze vyhrivani nejde tak to bude lambdou a ne napetim vyhrivani od ecu... ale samozrejmne ze tim nic nezkazi. Proto i v manualu je aby se jako prvni zmeril odpor vyhrivani.
Resim ted stejny "problem" na jednom aute (c6g anglicak 1,4)
   Pomohl ti příspěvěk? Návrat  
    
Zobrazit informace o autorovi Osobní garáž Odeslat soukromou zprávu
Příspěvky: 3255 H+ body: 17 2014 Civic  
karfik je teď offline  karfik
0
PříspěvekZaslal: 28.3.2010 , 19:54   Citovat  

Mám taky 5D angličana s motorem D16Y3. Podle servisního manuálu by tam měla být lambda bez vyhřívání. Vyměním tedy za novou.
   Pomohl ti příspěvěk? Návrat  
    
Zobrazit informace o autorovi  Odeslat soukromou zprávu
Příspěvky: 38 H+ body: 0  
karfik je teď offline  karfik
0
PříspěvekZaslal: 30.3.2010 , 15:22   Citovat  

Ještě dotazy:
Koupit novou či lze použít i jetou?
Pokud novou, tak originál NGK za 3000Kč či náhradu DELPHI za 1800Kč či náhradu FACET za 2000Kč?
Děkuji.
   Pomohl ti příspěvěk? Návrat  
    
Zobrazit informace o autorovi  Odeslat soukromou zprávu
Příspěvky: 38 H+ body: 0  
ninja je teď offline  ninja
4 háčka
Členství: Web
0
PříspěvekZaslal: 30.3.2010 , 15:24   Citovat  

sel bych do nove NGK
   Pomohl ti příspěvěk? Návrat  
    
Zobrazit informace o autorovi Osobní garáž Odeslat soukromou zprávu
Příspěvky: 3255 H+ body: 17 2014 Civic  
karfik je teď offline  karfik
0
PříspěvekZaslal: 7.4.2010 , 21:32   Citovat  

Takže dnes proběhla výměna lambda sondy za novou. Byla tam zapečená, takže to jaksi žhavili, aby ji dotali ven ze svodu, ale to jsem raději neviděl. Stará byla jen trochu černá a vypadala naprosto stejně jak ta nová Delphi.
Objednáno a vyměněno v servisu Autokelly Ostrožská Nová Ves. Cena lambdy byla 1703Kč a i s prací to vyšlo na 1800Kč. Rychlá výměna, solidní jednání, výborná cena.
   Pomohl ti příspěvěk? Návrat  
    
Zobrazit informace o autorovi  Odeslat soukromou zprávu
Příspěvky: 38 H+ body: 0  
pepik je teď offline  pepik
0
PříspěvekZaslal: 12.5.2010 , 12:01   Citovat  

Mě by zajímalo, co by se stalo, kdybych jezdil dál se špatně vyhřívanou lambdou - jaké následky to může mít ? Jezdím tak totiž už 13000km a auto se chová naprosto standardně... dík za odp. , jinak spotřeba je naprosto v pořádku.
   Pomohl ti příspěvěk? Návrat  
    
Zobrazit informace o autorovi  Odeslat soukromou zprávu
Příspěvky: 1 H+ body: 0  
Riccardo je teď offline  Riccardo
3 háčka
Členství: Žádné
0
PříspěvekZaslal: 12.5.2010 , 12:13   Citovat  

pepik napsal:
Mě by zajímalo, co by se stalo, kdybych jezdil dál se špatně vyhřívanou lambdou - jaké následky to může mít ? Jezdím tak totiž už 13000km a auto se chová naprosto standardně... dík za odp. , jinak spotřeba je naprosto v pořádku.

špatné emise -> nižší životnost katalyzátoru
   Pomohl ti příspěvěk? Návrat  
    
Zobrazit informace o autorovi Osobní garáž Odeslat soukromou zprávu
Příspěvky: 1287 H+ body: 0 1992 Prelude Si  
Riccardo je teď offline  Riccardo
3 háčka
Členství: Žádné
0
PříspěvekZaslal: 12.5.2010 , 12:15   Citovat  

karfik napsal:
Takže dnes proběhla výměna lambda sondy za novou. Byla tam zapečená, takže to jaksi žhavili, aby ji dotali ven ze svodu, ale to jsem raději neviděl. Stará byla jen trochu černá a vypadala naprosto stejně jak ta nová Delphi.
Objednáno a vyměněno v servisu Autokelly Ostrožská Nová Ves. Cena lambdy byla 1703Kč a i s prací to vyšlo na 1800Kč. Rychlá výměna, solidní jednání, výborná cena.

Lambda se musí vždycky vytahovat zatepla, jinak to nejde. Někdy stačí jenom teplo ze svodů, někdy se to musí nahřát víc.
   Pomohl ti příspěvěk? Návrat  
    
Zobrazit informace o autorovi Osobní garáž Odeslat soukromou zprávu
Příspěvky: 1287 H+ body: 0 1992 Prelude Si  
karfik je teď offline  karfik
0
PříspěvekZaslal: 12.5.2010 , 17:51  Naposledy upravil karfik dne 2.3.2011 , 11:13, celkově upraveno 1 krát. Citovat  

No popravdě já taky žádnou změnu nepoznal, ani ve spotřebě ani v nějakém chování motoru. Taky jsem přemýšlel, že bych se na to vyprdl. Katalyzátor mám osobně vyhozený, takže životnost katalyzátoru mě netrápila. Ale mám rád když je vše v cajku, né, že tam na mne svítí jakési oranžové oko, takže jsem volil výměnu za novou. 1800Kč není zas tak relativně moc a vydrží zas na dlouho(předpokládám do konce).
   Pomohl ti příspěvěk? Návrat  
    
Zobrazit informace o autorovi  Odeslat soukromou zprávu
Příspěvky: 38 H+ body: 0  
kaccerr je teď offline  kaccerr
2 háčka
0
PříspěvekZaslal: 12.5.2010 , 19:46   Citovat  

no mě na accord stojí nová kolem 5000 kč,náhrada tam nefunguje. Mám obě lambdy v háji a emisema jsem prošel bez problémů. Začalo to špatně táhnout od spodu,někdy v tom cuká,prostě není to ok. Dnes jsem to dal do hondy,budou se obě měnit za ojeté,tak uvidím..
   Pomohl ti příspěvěk? Návrat  
    
Zobrazit informace o autorovi  Odeslat soukromou zprávu
Příspěvky: 502 H+ body: 1  
Tuomas je teď offline  Tuomas
0
PříspěvekZaslal: 10.8.2011 , 8:10   Citovat  

Já jsem chtěl v obchodě objednat novou lamdbu na civica 6g r.v. 96 motor D14A2 (1,4 66 kW),ale obchodník byl docela zmaten protože mi tvrdil že v katalogu má uvedenou jednodrátovou sondu a jám ma 4 drát.
Ale říkal, že sežene nějaký 4 drát, který bude správný.Ale nejraději by označení ze staré sondy.Tak se mi ji
podařilo vyndat apřečetl jsem označení: ND ?-2700 a pod tím byl ještě neco , ale bohužel nečitelné.
Neví někdo celé označení té lambdy,abych vehodil 2 - 3 tisíce a výsledek špatný.Já teda spoléhám na to, že až mi
ukáže sondu a nebude mi pasovat ten eletrický konektor,tak je jasný ,že to bude špatná sonda.Ale jak říkám
jestli někdo ví jaký typ objednat budu rád.Díky.Tuomas
   Pomohl ti příspěvěk? Návrat  
    
Zobrazit informace o autorovi  Odeslat soukromou zprávu
Příspěvky: 16 H+ body: 0  
Becky je teď offline  Becky
4 háčka
Členství: Žádné
0
PříspěvekZaslal: 10.8.2011 , 9:01   Citovat  

Tuomas napsal:
Já jsem chtěl v obchodě objednat novou lamdbu na civica 6g r.v. 96 motor D14A2 (1,4 66 kW),ale obchodník byl docela zmaten protože mi tvrdil že v katalogu má uvedenou jednodrátovou sondu a jám ma 4 drát.
Ale říkal, že sežene nějaký 4 drát, který bude správný.Ale nejraději by označení ze staré sondy.Tak se mi ji
podařilo vyndat apřečetl jsem označení: ND ?-2700 a pod tím byl ještě neco , ale bohužel nečitelné.
Neví někdo celé označení té lambdy,abych vehodil 2 - 3 tisíce a výsledek špatný.Já teda spoléhám na to, že až mi
ukáže sondu a nebude mi pasovat ten eletrický konektor,tak je jasný ,že to bude špatná sonda.Ale jak říkám
jestli někdo ví jaký typ objednat budu rád.Díky.Tuomas


Staci ti univerzal 4-drat treba od densa, cena taky bude nekde jinde. Ja sem teda vzdy kupoval uni denso, cena byla trochu jinde nez u originalu a rekl bych ze funguje dobre
   Pomohl ti příspěvěk? Návrat  
    
Zobrazit informace o autorovi Osobní garáž Odeslat soukromou zprávu
Příspěvky: 4503 H+ body: 42 1999 Civic VTEC  
Becky je teď offline  Becky
4 háčka
Členství: Žádné
0
PříspěvekZaslal: 10.8.2011 , 9:06   Citovat  

tudy odkaz
tadyta by te vysla na podobny penize, ale mel bys jistotu ze to klapne
   Pomohl ti příspěvěk? Návrat  
    
Zobrazit informace o autorovi Osobní garáž Odeslat soukromou zprávu
Příspěvky: 4503 H+ body: 42 1999 Civic VTEC  
Tuomas je teď offline  Tuomas
0
PříspěvekZaslal: 10.8.2011 , 9:34   Citovat  

Díky.Na tom odkazu to je přesně lambda co tam bude sedět.Tomu prodavači to ukážu, byl docela ochotný, tak s touto
informací to dopadne dobře.Tuomas
   Pomohl ti příspěvěk? Návrat  
    
Zobrazit informace o autorovi  Odeslat soukromou zprávu
Příspěvky: 16 H+ body: 0  
karfik je teď offline  karfik
0
PříspěvekZaslal: 10.8.2011 , 20:11   Citovat  

Já osobně tam koupil loni tuto:
tudy odkaz
Je to čtyřdrát s Honda konektorem a vypadá naprosto přesně jak originál. A cena je výborná.
   Pomohl ti příspěvěk? Návrat  
    
Zobrazit informace o autorovi  Odeslat soukromou zprávu
Příspěvky: 38 H+ body: 0  
Tuomas je teď offline  Tuomas
0
PříspěvekZaslal: 11.8.2011 , 13:32   Citovat  

Já si objednal na doporučení Denso-4 drát.Cena 2630,-.Zítra si pro ni jdu.Ale má to být přesně pro Hondu,takže peněz nelituju.Jak jsem ukázal fotku a nějaké výrobní číslo,co jsem na foru zjistil, tak prodavač blahem bez sebe, že ted
už mi sežene přesně co chci,takže paráda.Jen jsem v okolí kdy bydlim nenašel žádného autoelektrikáře, aby mi
potvrdil , že je fakt lambda KO(kod 41).Byl jsem u jednoho borce co umí napíchnout Hondy na diagnostiku, ale
když jsem ukázal svůj konektor Civic 6g,tak říkal, že bohužel.Ale byl jsem i na emisích, a technik mi naměřil
zvýšený emise, že bych prý ani neprošel,takže říkal, že to bude ta lambda.Tak doufám,že nekecal.Jinak vyhodím
2630,- a kontrolka bude svítit dál.To by mě asi seklo:-).
Volal jsem do nejbližšího Honda sevisu, ale jednak dlouhý termín na objednání a podle telefonátu jsem měl dojem,
že nějaký určení závady, abych si to po tom opravil sám je moc nenadchlo. Tak to prostě risknu a nazdar-bazar.Tuomas
   Pomohl ti příspěvěk? Návrat  
    
Zobrazit informace o autorovi  Odeslat soukromou zprávu
Příspěvky: 16 H+ body: 0  
Newer je teď offline  Newer
Zlobivec [1]
0
PříspěvekZaslal: 11.8.2011 , 13:35   Citovat  

Tuomas napsal:
Já si objednal na doporučení Denso-4 drát.Cena 2630,-.Zítra si pro ni jdu.Ale má to být přesně pro Hondu,takže peněz nelituju.Jak jsem ukázal fotku a nějaké výrobní číslo,co jsem na foru zjistil, tak prodavač blahem bez sebe, že ted
už mi sežene přesně co chci,takže paráda.Jen jsem v okolí kdy bydlim nenašel žádného autoelektrikáře, aby mi
potvrdil , že je fakt lambda KO(kod 41).Byl jsem u jednoho borce co umí napíchnout Hondy na diagnostiku, ale
když jsem ukázal svůj konektor Civic 6g,tak říkal, že bohužel.Ale byl jsem i na emisích, a technik mi naměřil
zvýšený emise, že bych prý ani neprošel,takže říkal, že to bude ta lambda.Tak doufám,že nekecal.Jinak vyhodím
2630,- a kontrolka bude svítit dál.To by mě asi seklo:-).
Volal jsem do nejbližšího Honda sevisu, ale jednak dlouhý termín na objednání a podle telefonátu jsem měl dojem,
že nějaký určení závady, abych si to po tom opravil sám je moc nenadchlo. Tak to prostě risknu a nazdar-bazar.Tuomas

staci zmerit odpor na lambde.... zvladne i male dite Úsměv V manualu mas na kterych 2 pinech a do jakeho rozpeti by ses mel v odporu trefit ....
proste multimetr jeden konec na jeden pin, druhej na druhej pin.... prectes cislo a je to OK
jsi v rozmezi - lambda ok , nejsi ko ...
   Pomohl ti příspěvěk? Návrat  
    
Zobrazit informace o autorovi  Odeslat soukromou zprávu
Příspěvky: 4903 H+ body: 2  
Tuomas je teď offline  Tuomas
0
PříspěvekZaslal: 11.8.2011 , 14:20   Citovat  

Zavolal jsem známýmu, takže mi dneska půjčí multimetr.Tak se do toho měření pustím.Autolekrikářem snadno a rychle. Úsměv Díkes za typ.Ted jen projedu manuál a mrknu na ty hodnoty a navečer vzhůru na měření.Udělám to jen
pro jistotu.
   Pomohl ti příspěvěk? Návrat  
    
Zobrazit informace o autorovi  Odeslat soukromou zprávu
Příspěvky: 16 H+ body: 0  
Koubas je teď offline  Koubas
0
PříspěvekZaslal: 11.8.2011 , 16:30   Citovat  

taky bych potřeboval poradit jaký je označení lambdy u katalisátoru mám ho nečitelný obědnal sem novou uni ale potřebujou označení že prej ta na svodech je jiná tak abych vzal tu správnou jde o civica 6g rok 99 1,4 66kw d14z2
   Pomohl ti příspěvěk? Návrat  
    
Zobrazit informace o autorovi  Odeslat soukromou zprávu
Příspěvky: 83 H+ body: 1  
Tuomas je teď offline  Tuomas
0
PříspěvekZaslal: 15.8.2011 , 15:07   Citovat  

Koubas napsal:
taky bych potřeboval poradit jaký je označení lambdy u katalisátoru mám ho nečitelný obědnal sem novou uni ale potřebujou označení že prej ta na svodech je jiná tak abych vzal tu správnou jde o civica 6g rok 99 1,4 66kw d14z2


Na tenhle motor pasuje sonda(kromě jiných): DENSO DOX 1240.To je přesné značení, co mám od prodejce.Takže podle
tohoto značení by Ti ji měli bez problému objednat.Cana cca 2500,Kč.
   Pomohl ti příspěvěk? Návrat  
    
Zobrazit informace o autorovi  Odeslat soukromou zprávu
Příspěvky: 16 H+ body: 0  
FastCivic je teď offline  FastCivic
5 háček
Členství: Žádné
0
PříspěvekZaslal: 13.6.2012 , 20:55   Citovat  

mam dotaz:
je mezi ECU a lambda sondou jeste nejake rele ktere ovlada/zapina/vypina vyhrev? Nebo je vyhrev ovladany naprimo ridici jednotkou?
Cili kdyz dodelavam vyhrivanou lambda sondu do auta kde na ni neni pripravena kabelaz, natahnu kable pro vyhrev z ecu do lambdy bez jakehokoliv meziclenu?
A jeste me napadlo, ma vyhrev nejakou pojistku??
   Pomohl ti příspěvěk? Návrat  
    
Zobrazit informace o autorovi Osobní garáž Odeslat soukromou zprávu
Příspěvky: 10246 H+ body: 28 1989 Civic  
monty je teď offline  monty
Moderátor
Členství: Žádné
0
PříspěvekZaslal: 14.6.2012 , 6:19   Citovat  

FastCivic napsal:
mam dotaz:
je mezi ECU a lambda sondou jeste nejake rele ktere ovlada/zapina/vypina vyhrev? Nebo je vyhrev ovladany naprimo ridici jednotkou?
Cili kdyz dodelavam vyhrivanou lambda sondu do auta kde na ni neni pripravena kabelaz, natahnu kable pro vyhrev z ecu do lambdy bez jakehokoliv meziclenu?
A jeste me napadlo, ma vyhrev nejakou pojistku??

lambda je napřímo do ecu ,bez relé, bez pojistek , stačí mrknout do schematu (jistě je máš při ruce když se vrtáš v elektrice Mrk Velmi šťastný ) napájení výhřevu je od klíčku (main relay), druhý konec jde na výstup ecu a signál jde kostrou na kostru pro čidla a živým na vstup ecu.
   Pomohl ti příspěvěk? Návrat  
    
Zobrazit informace o autorovi Osobní garáž Odeslat soukromou zprávu
Příspěvky: 5207 H+ body: 45 1988 Prelude  
sablos je teď offline  sablos
5 háček
Členství: Žádné
0
PříspěvekZaslal: 14.6.2012 , 6:24   Citovat  

Riccardo napsal:
Lambda se musí vždycky vytahovat zatepla, jinak to nejde. Někdy stačí jenom teplo ze svodů, někdy se to musí nahřát víc.
není to nutností, přijed a ukážu ti jak vyndám studenou lambdu za 2 minuty s odpojením konektoru.
   Pomohl ti příspěvěk? Návrat  
    
Zobrazit informace o autorovi Osobní garáž Odeslat soukromou zprávu
Příspěvky: 10086 H+ body: 15 2002 CR-V  
FastCivic je teď offline  FastCivic
5 háček
Členství: Žádné
0
PříspěvekZaslal: 14.6.2012 , 21:15   Citovat  

monty napsal:
lambda je napřímo do ecu ,bez relé, bez pojistek , stačí mrknout do schematu (jistě je máš při ruce když se vrtáš v elektrice Mrk Velmi šťastný ) napájení výhřevu je od klíčku (main relay), druhý konec jde na výstup ecu a signál jde kostrou na kostru pro čidla a živým na vstup ecu.
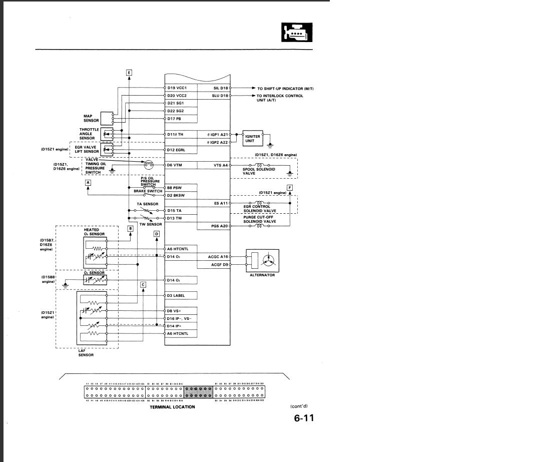
no to prave... nemel bys fuel system diagram pro obd1?
mam, ale mizernou kvalitu, kde jde prt precist


fisd.jpg

Zobrazení obrázku v plné velikosti.
fisd.jpg, 234.76 kB
   Pomohl ti příspěvěk? Návrat  
    
Zobrazit informace o autorovi Osobní garáž Odeslat soukromou zprávu
Příspěvky: 10246 H+ body: 28 1989 Civic  
monty je teď offline  monty
Moderátor
Členství: Žádné
0
PříspěvekZaslal: 15.6.2012 , 6:49   Citovat  

nevím jakej přesně potřebuješ ale tak třeba ze civika


schema1.JPG

Zobrazení obrázku v plné velikosti.
schema1.JPG, 85.68 kB

schema2.JPG

Zobrazení obrázku v plné velikosti.
schema2.JPG, 79.81 kB
   Pomohl ti příspěvěk? Návrat  
    
Zobrazit informace o autorovi Osobní garáž Odeslat soukromou zprávu
Příspěvky: 5207 H+ body: 45 1988 Prelude  
FastCivic je teď offline  FastCivic
5 háček
Členství: Žádné
0
PříspěvekZaslal: 17.6.2012 , 12:10   Citovat  

monty napsal:
nevím jakej přesně potřebuješ ale tak třeba ze civika
nejlepe ten co sem tu dal ja, ale v citelne kvalite
ten je takovy nejprehlednejsi
z toho tveho sem zmateny to mi hlava nebere

Tu lambdu sem chtel zapojit nasledovne:
signal z lambdy budu tahat po starem kabelu, ten je stineny a vede tam, kam ma (D14)
ovladani vyhrivani na A6
kostra lambdy by mela byt D22
a kostra pro vyhrev A25

vsechny kabely na primo bez jakehokoliv napojovani na ostatni snimace apod.

mohl bys byt prosim tak hodny a zkontrolovat jestli to je ok?
   Pomohl ti příspěvěk? Návrat  
    
Zobrazit informace o autorovi Osobní garáž Odeslat soukromou zprávu
Příspěvky: 10246 H+ body: 28 1989 Civic  
Becky je teď offline  Becky
4 háčka
Členství: Žádné
0
PříspěvekZaslal: 17.6.2012 , 12:11   Citovat  

mam to stejne, z lambdy primo do ECU P30
   Pomohl ti příspěvěk? Návrat  
    
Zobrazit informace o autorovi Osobní garáž Odeslat soukromou zprávu
Příspěvky: 4503 H+ body: 42 1999 Civic VTEC  

  Obsah fóra Honda-club.cz   
MIL 41 - Problém vyhřívání lambda sondy
Fórum: Motor, ECU, spojka a převodovka
0
Pomohlo ti toto téma?   
Zobrazit příspěvky z předchozích:
 Řadit příspěvky dle: 
Jdi na stránku 1, 2  Další 
Zaslat odpověď



 Časy uváděny v GMT + 1 hodina  
    
Nemůžete odesílat nové téma do tohoto fóra.
Nemůžete odpovídat na témata v tomto fóru.
Nemůžete upravovat své příspěvky v tomto fóru.
Nemůžete mazat své příspěvky v tomto fóru.
Nemůžete hlasovat v tomto fóru.
Můžete k příspěvkům připojovat soubory
Můžete stahovat a prohlížet přiložené soubory
Nemůžete moderovat Vaše témata v tomto fóru.



Board Security

(104575 útoků)
::  www.honda-club.cz  :: Témata RSS TOPlist

[ Čas: 0.3292s ][ Dotazy: 147 (0.0501s) ][ GZIP on - Debug on ]