Rozšířené hledání} Informace o členství Kontaktní informace Seznam uživatelů Kalendář Spřátelené weby Honda-club.cz Přihlásit se k emailu
[2]
Linka Uživatelské skupiny Linka Galerie avatarů Linka Kdo je online Linka
Linka Jak se stát členem klubu Linka Stáhnout stanovy sdružení Linka Výhody pro členy klubu Linka
  Obsah fóra Honda-club.cz   
Vše o Accord 6G
Fórum: Pokec o autech
Zobrazit příspěvky z předchozích:
 Řadit příspěvky dle: 
Jdi na stránku Předchozí  1, 2, 3 ... 271, 272, 273 ... 331, 332, 333  Další 
Zaslat odpověď



  Strana 272 z 333
Stevemaister44 je teď offline  Stevemaister44
PříspěvekZaslal: 5.11.2015 , 9:44   Citovat  

Čau chlapi, nevíte jestli by se tady nechaly nějak zhomologovat světlomety původem z USA? Našel jsem si na auto parádní světla (nejsem si jistý, jestli jsou tvarově úplně stejné jako u US accorda, ale vypadají tak). Všude je prodávají pouze bez homologace, dá se to samozřejmě řešit při STK výměnou za origo ale ta pruda od PČR teď by nemusela být úplně koscher...

Díky

tudy odkaz
   Návrat  
   Zobrazit informace o autorovi Osobní garáž Odeslat soukromou zprávu
Příspěvky: 98 1999 Accord Type-R  
mikos je teď offline  mikos
1 háčko
PříspěvekZaslal: 11.11.2015 , 17:14   Citovat  

Ahoj, jezdí někdo z vás na pneu 195/65/15? Vím, že to není předepsaný rozměr, ale o to mi teď nejde. Jde mi o rozdíl komfortu oproti profilu 60.
   Návrat  
   Zobrazit informace o autorovi Osobní garáž Odeslat soukromou zprávu
Příspěvky: 374 1999 Accord  
Hybatel je teď offline  Hybatel
1 háčko
Členství: Žádné
PříspěvekZaslal: 11.11.2015 , 18:32   Citovat  

Stevemaister44 napsal:
Čau chlapi, nevíte jestli by se tady nechaly nějak zhomologovat světlomety původem z USA? Našel jsem si na auto parádní světla (nejsem si jistý, jestli jsou tvarově úplně stejné jako u US accorda, ale vypadají tak). Všude je prodávají pouze bez homologace, dá se to samozřejmě řešit při STK výměnou za origo ale ta pruda od PČR teď by nemusela být úplně koscher...

Díky

tudy odkaz


odkaz
všchno jde ale určitě by jsi to zařizovat a platit nechtěl Velmi šťastný
   Návrat  
   Zobrazit informace o autorovi  Odeslat soukromou zprávu
Příspěvky: 160  
tukkan je teď offline  tukkan
1 háčko
PříspěvekZaslal: 11.11.2015 , 20:29   Citovat  

mikos napsal:
Ahoj, jezdí někdo z vás na pneu 195/65/15? Vím, že to není předepsaný rozměr, ale o to mi teď nejde. Jde mi o rozdíl komfortu oproti profilu 60.


Ahoj jazdil som tento rozmer asi rok, michelin energysaver asi pred 4 rokmi.
Za mna: ja som si nevsimol rozdiel v komforte, porovnaval som to so zimnymi 195/60/15

Teraz prave uvazujem o zmene, koncim s rozmerom 205/50/16 a vratim sa k 195/60/15 (mozno aj 195/65/15), pretoze tu rozdiel poznat je a po meste duplovane.
   Návrat  
   Zobrazit informace o autorovi Osobní garáž Odeslat soukromou zprávu
Příspěvky: 479 2008 CR-V  
forever222 je teď offline  forever222
2 háčka
PříspěvekZaslal: 19.11.2015 , 21:24   Citovat  

Jak často měníte palivový filtr? Úsměv
   Návrat  
   Zobrazit informace o autorovi Osobní garáž Odeslat soukromou zprávu
Příspěvky: 671 2000 Accord  
nota11 je teď offline  nota11
1 háčko
PříspěvekZaslal: 19.11.2015 , 21:48   Citovat  

Kazdych 105tKm alebo 84 mesiacov podla servisnbej knizky
   Návrat  
   Zobrazit informace o autorovi  Odeslat soukromou zprávu
Příspěvky: 112  
Roman Sedlařík je teď offline  Roman Sedlařík
PříspěvekZaslal: 20.11.2015 , 0:08   Citovat  

Ahojte. Mám Accorda 2001 1,8 100kw a chtěl bych tam dat 2,0 litr z accorda. Je to težké? v čem všem to spočívá ? Nevíte někdo ?
   Návrat  
   Zobrazit informace o autorovi  Odeslat soukromou zprávu
Příspěvky: 6  
Pipál je teď offline  Pipál
1 háčko
PříspěvekZaslal: 20.11.2015 , 0:16   Citovat  

Stevemaister44 napsal:
Čau chlapi, nevíte jestli by se tady nechaly nějak zhomologovat světlomety původem z USA? Našel jsem si na auto parádní světla (nejsem si jistý, jestli jsou tvarově úplně stejné jako u US accorda, ale vypadají tak). Všude je prodávají pouze bez homologace, dá se to samozřejmě řešit při STK výměnou za origo ale ta pruda od PČR teď by nemusela být úplně koscher...

Díky

tudy odkaz


Ty světla ti pasovat nebudou. Leda že bys upravil blatník, nárazník a kapotu.
   Návrat  
   Zobrazit informace o autorovi Osobní garáž Odeslat soukromou zprávu
Příspěvky: 131 1998 Prelude VTi-S  
Pipál je teď offline  Pipál
1 háčko
PříspěvekZaslal: 20.11.2015 , 0:21   Citovat  

Roman Sedlařík napsal:
Ahojte. Mám Accorda 2001 1,8 100kw a chtěl bych tam dat 2,0 litr z accorda. Je to težké? v čem všem to spočívá ? Nevíte někdo ?


No řekl bych že se to nevyplatí. 100 a 108 kW nebude nějak velkej rozdíl. Plus asi by byla potřeba poladit elektrika. No a problém, že ti nebude sedět typ motoru. Lepší prodat auto a koupit 2.0, nebo tam dej rovnou H22A7 z TypeR. Ale kdybys chtěl mám na prodej f20b6. Velmi šťastný
   Návrat  
   Zobrazit informace o autorovi Osobní garáž Odeslat soukromou zprávu
Příspěvky: 131 1998 Prelude VTi-S  
panNedra je teď offline  panNedra
1 háčko
Členství: Žádné
PříspěvekZaslal: 20.11.2015 , 0:29   Citovat  

Absolutní nesmysl. Elektrika nebude třeba ladit ty motory jsou vesměs stejný, ale dvoulitr je jen slovo. Oproti F18 nedává nic navíc. Mrk odspoda netáhne - není to turbodehet a pak už je to stejný. V čem spočívá důvod této výměny? Troufám si říct, že Prelude se svýma 98kW v tom samém dvoulitru jela o alespoň 50% líp.
   Návrat  
   Zobrazit informace o autorovi  Odeslat soukromou zprávu
Příspěvky: 284  
piskot je teď offline  piskot
4 háčka
PříspěvekZaslal: 20.11.2015 , 12:25   Citovat  

Že by elektrika byla vesměs stejná, to bych tak odvážně netvrdil... Každý motor má svoji kapitolu o PGM-FI, třeba kvůli parohům má F18 primární lambda sondu až dole před katalyzátorem. Ale jinak souhlas, výměna těch motorů se nevyplatí.
   Návrat  
   Zobrazit informace o autorovi Osobní garáž Odeslat soukromou zprávu
Příspěvky: 3048 1999 Accord  
tukkan je teď offline  tukkan
1 háčko
PříspěvekZaslal: 20.11.2015 , 12:52   Citovat  

Vymenu 1.8 za 2.0 by sa asi oplatila ak mas 1.8 mrtvu. Mal som moznost porovnat 2.0 a 1.8,ten 2liter ide lepsie. Citit to v rychlostiach nad 100kmh. Mne by sa svojim charakterom viac pacila 2.3, aj ked ma iba 113kW, ale zato 205Nm.
   Návrat  
   Zobrazit informace o autorovi Osobní garáž Odeslat soukromou zprávu
Příspěvky: 479 2008 CR-V  
panNedra je teď offline  panNedra
1 háčko
Členství: Žádné
PříspěvekZaslal: 20.11.2015 , 13:04   Citovat  

piskot napsal:
Že by elektrika byla vesměs stejná, to bych tak odvážně netvrdil... Každý motor má svoji kapitolu o PGM-FI, třeba kvůli parohům má F18 primární lambda sondu až dole před katalyzátorem. Ale jinak souhlas, výměna těch motorů se nevyplatí.


tak zrovna u F18 a F20, Accord 6g, je PGM-FI naprosto stejný. Jediným čím se tak liší, jsou mapy vstřikování a zapalování. A u parohů výfuku je zásadní rozdíl v tom, že F18 má 4-2-1, zatímco F20 má 4-1 takže na lambdu ideal primo u motoru.

Já jsem taky za 2,3 a nebo rovnou jak chci já, naprosto nelegální swap za V6 z coupe Velmi šťastný malý obsahy bych nechal Civicu Velmi šťastný
   Návrat  
   Zobrazit informace o autorovi  Odeslat soukromou zprávu
Příspěvky: 284  
piskot je teď offline  piskot
4 háčka
PříspěvekZaslal: 20.11.2015 , 13:34   Citovat  

panNedra napsal:
tak zrovna u F18 a F20, Accord 6g, je PGM-FI naprosto stejný. Jediným čím se tak liší, jsou mapy vstřikování a zapalování. A u parohů výfuku je zásadní rozdíl v tom, že F18 má 4-2-1, zatímco F20 má 4-1 takže na lambdu ideal primo u motoru.

Já jsem taky za 2,3 a nebo rovnou jak chci já, naprosto nelegální swap za V6 z coupe Velmi šťastný malý obsahy bych nechal Civicu Velmi šťastný

Ale já nepsal, že je PGM-FI u obou motorů jiný, jen to, že ta elektrika je/může být jiná. Ano, natáhnout kabel od lambdy hned u motoru je snažší, ale ten konektor s kabelem pro ni je někde "dole" (F18). A co jiné kabelové svazky? Teoreticky dle schématu jsou různé.

Jo, mimochodem, už C4G měl PGM-FI...Úsměv
   Návrat  
   Zobrazit informace o autorovi Osobní garáž Odeslat soukromou zprávu
Příspěvky: 3048 1999 Accord  
panNedra je teď offline  panNedra
1 háčko
Členství: Žádné
PříspěvekZaslal: 20.11.2015 , 17:19   Citovat  

Já to myslel s tou lambdou tak, že primo u motoru je to lepší pro řízení směsi. Obecně čím blíže je lambda sonda u motoru, tím lepší má odezvy díky teplejším spalinám pokud se nepletu. No je možný že kabelový svazky jsou nepatrně jiný, ale pokud měníš motor za motor, tak konkrétně v tomto případě nemusíš řešit kabelový svazky když motory jsou stejný. Liší se leda vyraženým číslem a mechanikou uvnitř. Úsměv
   Návrat  
   Zobrazit informace o autorovi  Odeslat soukromou zprávu
Příspěvky: 284  
piskot je teď offline  piskot
4 háčka
PříspěvekZaslal: 20.11.2015 , 18:51  Naposledy upravil piskot dne 20.11.2015 , 18:52, celkově upraveno 1 krát. Citovat  

Podle obrázků to fakt vypadá jen na ten kabel k lamdě... OK
Bylo by zajímavé vyzkoušet ECU s mapami pro F18B na F20B a naopak...Úsměv


F20B6.jpg

Zobrazení obrázku v plné velikosti.
F20B6.jpg, 95.63 kB

F18B2.jpg

Zobrazení obrázku v plné velikosti.
F18B2.jpg, 99.67 kB
   Návrat  
   Zobrazit informace o autorovi Osobní garáž Odeslat soukromou zprávu
Příspěvky: 3048 1999 Accord  
tukkan je teď offline  tukkan
1 háčko
PříspěvekZaslal: 20.11.2015 , 18:52   Citovat  

Tak V6 by sa civilnemu accordu hodil. Ale moja F18 este dycha a stale dokaze zamavat s CH7 , ktora este musi dlho plnit funkciu rodinneho vozidla.
   Návrat  
   Zobrazit informace o autorovi Osobní garáž Odeslat soukromou zprávu
Příspěvky: 479 2008 CR-V  
panNedra je teď offline  panNedra
1 háčko
Členství: Žádné
PříspěvekZaslal: 20.11.2015 , 18:57   Citovat  

piskot napsal:
Podle obrázků to fakt vypadá jen na ten kabel k lamdě... OK
Bylo by zajímavé vyzkoušet ECU s mapami pro F18B na F20B a naopak...Úsměv


Accorda mam v merku
   Návrat  
   Zobrazit informace o autorovi  Odeslat soukromou zprávu
Příspěvky: 284  
panNedra je teď offline  panNedra
1 háčko
Členství: Žádné
PříspěvekZaslal: 20.11.2015 , 18:57   Citovat  

tukkan napsal:
Tak V6 by sa civilnemu accordu hodil. Ale moja F18 este dycha a stale dokaze zamavat s CH7 , ktora este musi dlho plnit funkciu rodinneho vozidla.


V6 je jedina moznost nic mensiho uz mi domu nesmi
   Návrat  
   Zobrazit informace o autorovi  Odeslat soukromou zprávu
Příspěvky: 284  
tukkan je teď offline  tukkan
1 háčko
PříspěvekZaslal: 20.11.2015 , 19:42   Citovat  

Stacila by aj K24, ale uplne rozumiem V6-kam.. Ma to svoje caro. Toto vyuzilo BMW, ktore aj rade 3 malo 6valce a poblaznila zakaznikov. Skoda, ze Honda ma zalostne malo 6 valcov.
   Návrat  
   Zobrazit informace o autorovi Osobní garáž Odeslat soukromou zprávu
Příspěvky: 479 2008 CR-V  
panNedra je teď offline  panNedra
1 háčko
Členství: Žádné
PříspěvekZaslal: 20.11.2015 , 21:43   Citovat  

Nn kdepak K24 ma malej obsah
   Návrat  
   Zobrazit informace o autorovi  Odeslat soukromou zprávu
Příspěvky: 284  
amatér je teď offline  amatér
1 háčko
PříspěvekZaslal: 24.11.2015 , 20:59   Citovat  

Ahoj chci se zeptat jestly vase acca po zamknuti dalkou houka nebo blika to moje nedela nic a docela me to stve mate to stejne ?
   Návrat  
   Zobrazit informace o autorovi Osobní garáž Odeslat soukromou zprávu
Příspěvky: 201 2000 Accord  
Kendik je teď offline  Kendik
4 háčka
Členství: Žádné
PříspěvekZaslal: 24.11.2015 , 21:34   Citovat  

amatér napsal:
Ahoj chci se zeptat jestly vase acca po zamknuti dalkou houka nebo blika to moje nedela nic a docela me to stve mate to stejne ?
Zablikaji vsechny blinkry Úsměv
   Návrat  
   Zobrazit informace o autorovi Osobní garáž Odeslat soukromou zprávu
Příspěvky: 3067 2004 Accord  
amatér je teď offline  amatér
1 háčko
PříspěvekZaslal: 24.11.2015 , 22:21   Citovat  

Me nic Smutný to by asi neslo nejak dodelat ?
   Návrat  
   Zobrazit informace o autorovi Osobní garáž Odeslat soukromou zprávu
Příspěvky: 201 2000 Accord  
mikos je teď offline  mikos
1 háčko
PříspěvekZaslal: 24.11.2015 , 22:38   Citovat  

Mě nic
   Návrat  
   Zobrazit informace o autorovi Osobní garáž Odeslat soukromou zprávu
Příspěvky: 374 1999 Accord  
Kendik je teď offline  Kendik
4 háčka
Členství: Žádné
PříspěvekZaslal: 25.11.2015 , 4:34   Citovat  

amatér napsal:
Me nic Smutný to by asi neslo nejak dodelat ?
Urcite to jde, pokud se vyznas v elektrice. Úsměv
   Návrat  
   Zobrazit informace o autorovi Osobní garáž Odeslat soukromou zprávu
Příspěvky: 3067 2004 Accord  
amatér je teď offline  amatér
1 háčko
PříspěvekZaslal: 25.11.2015 , 17:54   Citovat  

Chytit impuls z jednotky na central by nemelo bejt slozity ale jak rozblikat vsechny blinkry ?
   Návrat  
   Zobrazit informace o autorovi Osobní garáž Odeslat soukromou zprávu
Příspěvky: 201 2000 Accord  
Kendik je teď offline  Kendik
4 háčka
Členství: Žádné
PříspěvekZaslal: 25.11.2015 , 18:17   Citovat  

amatér napsal:
Chytit impuls z jednotky na central by nemelo bejt slozity ale jak rozblikat vsechny blinkry ?
Nedalo by se to propojit s tlacitkem vystraznych blinkru?
   Návrat  
   Zobrazit informace o autorovi Osobní garáž Odeslat soukromou zprávu
Příspěvky: 3067 2004 Accord  
amatér je teď offline  amatér
1 háčko
PříspěvekZaslal: 25.11.2015 , 18:33   Citovat  

To by asi slo Úsměv
   Návrat  
   Zobrazit informace o autorovi Osobní garáž Odeslat soukromou zprávu
Příspěvky: 201 2000 Accord  
piskot je teď offline  piskot
4 háčka
PříspěvekZaslal: 25.11.2015 , 18:47   Citovat  

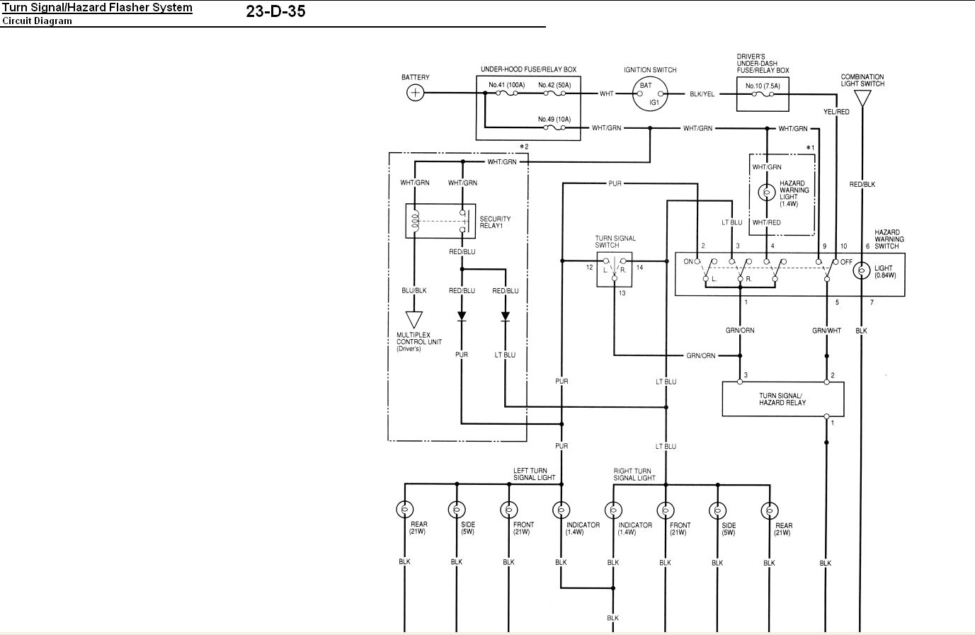
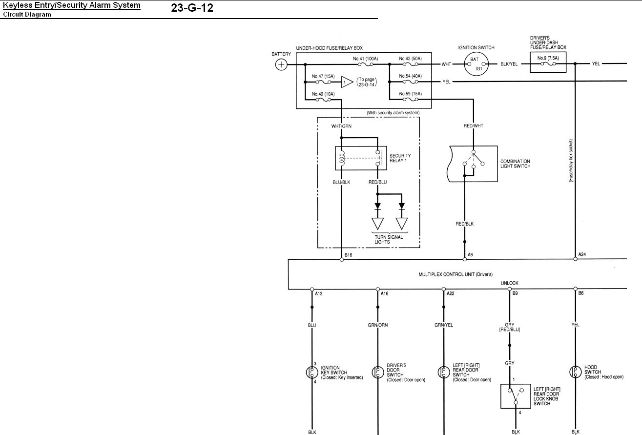
Jak si to inženýři Hondy představovali...Úsměv
Mě taky blinkry neblikají při použití dálkáče...
Možná by stačilo zjistit přítomnost pojistky č. 49.


Blinking.jpg

Zobrazení obrázku v plné velikosti.
Blinking.jpg, 85.42 kB

Blinking2.jpg

Zobrazení obrázku v plné velikosti.
Blinking2.jpg, 69.75 kB
   Návrat  
   Zobrazit informace o autorovi Osobní garáž Odeslat soukromou zprávu
Příspěvky: 3048 1999 Accord  

  Obsah fóra Honda-club.cz   
Vše o Accord 6G
Fórum: Pokec o autech
Zobrazit příspěvky z předchozích:
 Řadit příspěvky dle: 
Jdi na stránku Předchozí  1, 2, 3 ... 271, 272, 273 ... 331, 332, 333  Další 
Zaslat odpověď



 Časy uváděny v GMT + 1 hodina  
    
Nemůžete odesílat nové téma do tohoto fóra.
Nemůžete odpovídat na témata v tomto fóru.
Nemůžete upravovat své příspěvky v tomto fóru.
Nemůžete mazat své příspěvky v tomto fóru.
Nemůžete hlasovat v tomto fóru.
Můžete k příspěvkům připojovat soubory
Můžete stahovat a prohlížet přiložené soubory
Nemůžete moderovat Vaše témata v tomto fóru.



Board Security

(104575 útoků)
::  www.honda-club.cz  :: Témata RSS TOPlist

[ Čas: 1.2898s ][ Dotazy: 147 (1.1221s) ][ GZIP on - Debug on ]